Warning: file_put_contents(/data/web/www.fsjingfeng.com/data/cache_template/show_product__id_494_cn.php): failed to open stream: Permission denied in /data/web/www.fsjingfeng.com/includes/tpl.class.php on line 205
BP3316D_BP33XX Series_佛山市晶丰电子科技有限公司

联系人:李先生
电   话:1868226971
地   址:广东省佛山市顺德区杏坛镇智富园工业城12栋

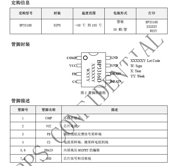
BP3316D
日期:2016-07-26 14:07:18 阅读量:
下一篇 |  BP3318 上一篇 |  BP3315
联系地址: 佛山市顺德区伦教新城路9号 佛山市晶丰电子科技有限公司 粤ICP备18078321号-1 Copyright @ 2015 该网站由赢辉商学院全程策划